Product Center

产品中心
SY3409 样品申请
概述

SY3409是一款专为蓝牙耳机充电仓设计的单芯片解决方案IC,芯片集成充电管理模块、LED电量显示模块、同步升压放电管理模块,简化了外围电路及器件数量。针对蓝牙耳机充电仓的应用,提供更简单易用的高性价比解决方案。SY3409采用SOP8封装。

产品特性

线性充电,默认0.2A充电电流

涓流/恒流/恒压充电,并具有在无过热危险的情况下实现充电速率最大化的热调节功能

充电截止电流0.1* ICC,自动再充电

自适应适配器调节充电电流,VINDPM: 4.6V

预置4.2V充电浮充电压,精度±1%

支持边充边放功能

支持负载自动识别,支持轻载自动关机

同步升压输出电流0.2A

待机功耗: 3μA

放电输出过流、短路、过压、过温保护

2灯LED电量显示、充放电指示

支持HALL芯片直接驱动

单击按键开启/关闭升压输出和LED电量显示

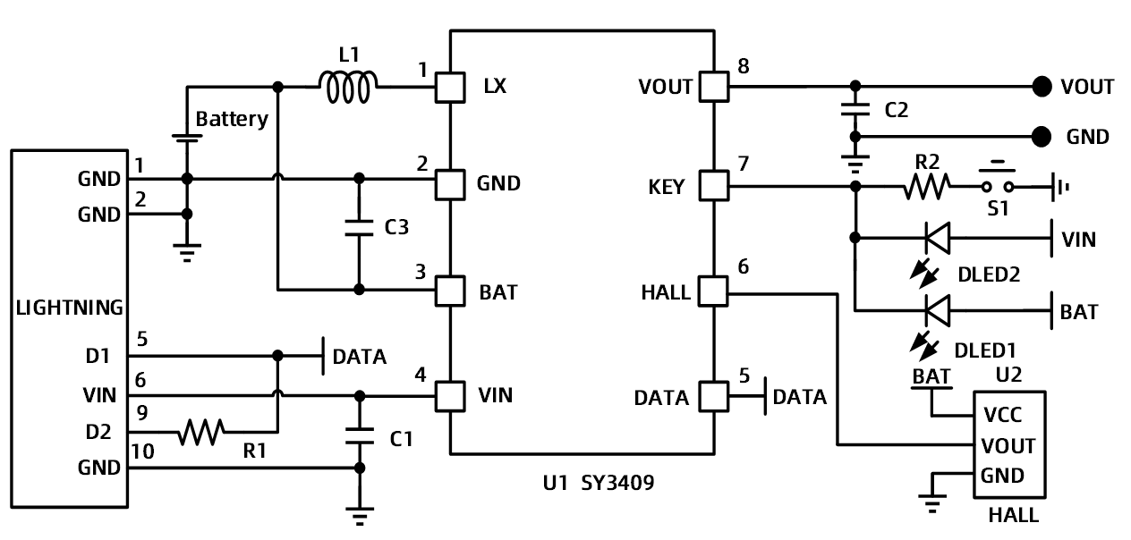
产品参考应用图
应用

蓝牙耳机充电仓

便携式锂电池应用

小容量锂电池充/放电应用

其他低功耗设备应用