Product Center

产品中心
SY6203 样品申请
概述

SY6203是一款通用的低功耗高精度的NVDC架构switch charger,适合于无线耳机/智能手表等便携穿戴电池设备。芯片内部集成充电模块和boost升压模块,并包含了完善的保护功能。SY6203支持最大3A充电电流,并且支持电池 线损补偿。 SY6203可通过I2C通信接口灵活配置充电参数, 可以以10mV步进调节恒压充电电压,60mA步进调 节恒流充电电流。SY6203集成了比较完善的电池保护功能,包括 JEITA充电规范支持,充电超时,电池过压/过流/欠 压保护。SY6203集成1.2A输出能力的OTG功能,可提供反向电压给外部设备供电。芯片支持BC1.2检测, 能够根据5V USB输入类型实现自动限流设置。SY6203采用的封装形式为4mm*4mm QFN24和2.07mm*2.17mm CSP25 (0.4mm pitch)。

产品特性

高精度switch charger1.5MHz开关频率,支持1uH电感;±0.5%恒压充电精度(10mV/step可调);6%恒流充电精度@1.5A;充电截止电流精度180mA±10mA;最大支持3A充电,充电效率>92%@2A;支持时间可配置Top-off 充电功能

OTG功能:支持PFM模式;输出电流最大1.2A,输出电压4档可调

NVDC路径管理支持无电池/电池低压系统供电立即启动;支持输入限流和输入限压(DPM)功能; 静态功耗小于10uA,shipmode功耗小于2uA

完善的保护功能:4档可配置的输入过压保护;电池过流/过压/欠压保护;Boost输出过压/过流保护方案;热调整和热关断保护

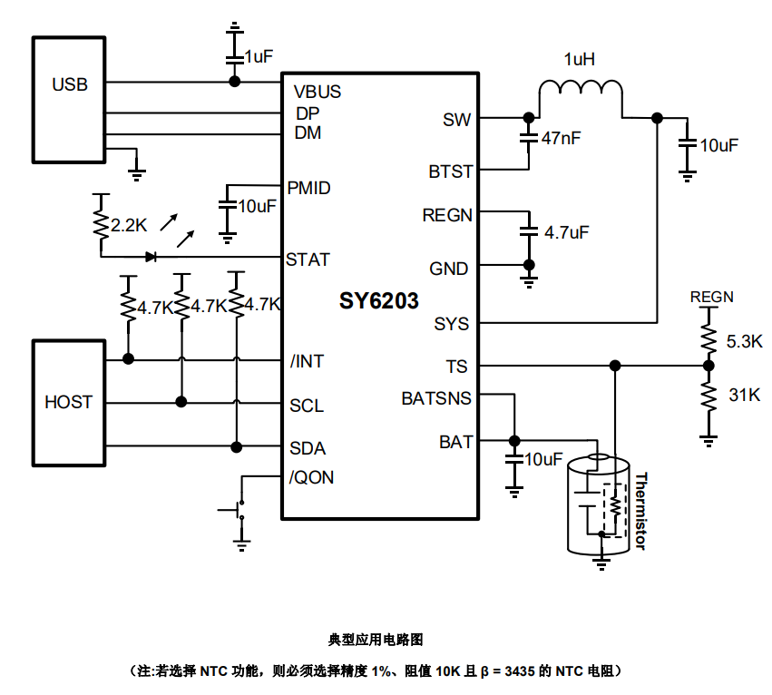
产品参考应用图
应用

智能手机应用

其他便携式锂电池应用